ชุดพัฒนาเรียนรู้ การใช้งาน RFID กับ Microcontroller Microchip PIC
โดย อดุลย์ ฟองวีระ ปรับปรุงล่าสุดเมื่อ 18 พ.ย. 2554.
ชุดพัฒนาเรียนรู้ การใช้งาน RFID กับ Microcontroller Microchip PIC
รวม วงจร PCB และ Source code
รายละเอียด http://rfidbee.blogspot.com/2011/06/rfid-microcontroller-board.html
=========================================
รายละเอียดเพิ่มเติม ติดต่อ อดุลย์ 081-6452400 e-mail
[email protected]
http://www.tarad.com/allnet
=========================================
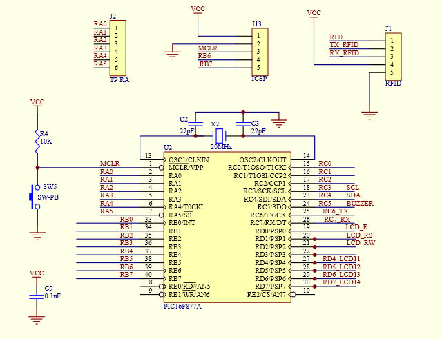
Microcontroller Board Features
Microcontroller : Microchip PIC18F4539 or Compatible 40 pin with Socket.
- 20 MHz System clock.
- Built in : RTC ( Real Time Clock DS1307+ )
- Built in : Buzzer.
- 16 x 2 Character LCD Display.
- 4 Push Bottom Switch and 4 LED logic status.
- 2 x RS232 Com port and Switch Selector.
- DC in 6-30 V. with 7805 Regulator.
Output Control RFID : UART Interface Baud Rate 9600 – 115,200 bps ( 19600 bps default )
RFID Tag Support : Up to the RFID Module.
RFID Module Features
Being developed based on NXP's transponder IC, HF RFID Module is a Mifare read/write module. It supports Mifare 1K, Mifare 4K and Ultralight and is applicable for 13.56MHz. It does auto Real-time detecting tag which moves into or out of detective range and reports through one output pin's logic level. In addition, it integrates all necessary components and antenna into one PCB. The external Micro-controller can work with Module to read/write Mifare cards by simple serial communication command.
• Tag supported: Mifare 1K, Mifare 4K, Mifare UltraLight
• Auto finding cards.
• Built-in antenna.
• TTL UART interface
• Power supply: DC4.5V ~ 5.5V
• Operating distance: Up to 80mm, depending on tag
• Storage temperature: -40 ?C ~ +85 ?C
• Operating temperature: -20 ?C ~ +70 ?C
• Size: 80 ? 55 ?7 mm.
• Two LED, green led is auto light when card in, red led is controlled by host.
• The Card Status pin is low level indicating card in, and high level indicating card.
PIN Information
1 Card Status Output Card detect signal
2 TXD Output Serial output port
3 RXD Input Serial input port
4 VCC PWR Power Supply
5 GND PWR Ground
=========================================
รายละเอียดเพิ่มเติม ติดต่อ อดุลย์ 081-6452400 e-mail
[email protected]
=========================================
| ราคา: | 5,500 บาท | ต้องการ: | ขาย |
| ติดต่อ: | อดุลย์ ฟองวีระ | อีเมล์: |  |
| สภาพ: | ใหม่
| จังหวัด: | กรุงเทพมหานคร |
| | | |
| โทรศัพย์: | 0816452400 | IP Address: | 223.204.24.xx |
| มือถือ: | 0816452400 | |
| ที่อยู่: | 793/17 ถ.แฮปปี้แลนด์ บางกะปิ กทม. |
|
| คำค้น: |
rfid | development | pic c rfid |
|